·上一文章:长虹SF2170E彩电开关电源各次级输出电压均高
·下一文章:长虹SF2170E彩电开关电源次级输出全无(保险管完好,电源各次级输出)
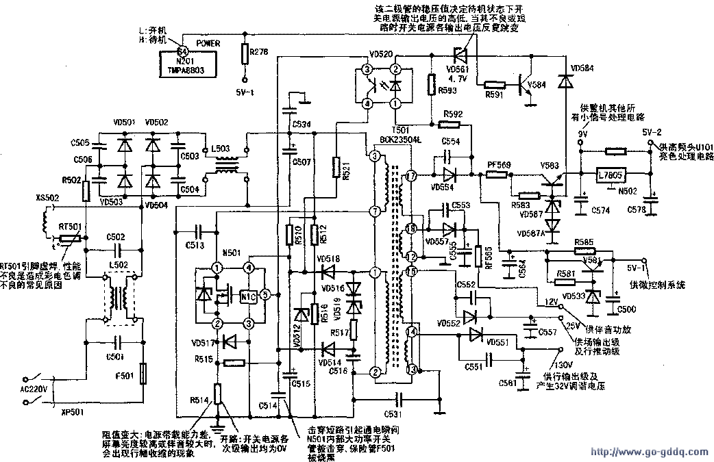
采用STR-G5653的开关电源,若出现电源各次级输出电压均低的故障,只需检查(1)开/待机控制电路;(2)过流保护电路。具体判断及检修步骤如下:
1.断开光电耦合器VD520③或④脚,通电测开关电源各输出电压:
若开关电源各输出电压均上升为正常开机值,则判定故障在开/待机控制电路,为进一步确定故障部位,需采用下列一些小技巧,即可快速而准确地找到故障元件。
(1)焊回VD520③④脚,断开VD520(D或②脚或短路①②脚,通电若电源各次级输出上升至机器正常工作值,则判定光电耦合器VD520损坏。
(2)恢复所有断开电路,用镊子将V584 b e极短路,若电源各次级均恢复正常,则应判定N201 64脚内部电路损坏;若用镊子短路V584 b e极后,电源各次级电压依旧,则应判定故障在V584本身或VD561。
2.检查过流保护电路该电路中只需检查过流检测电阻R514、反馈电阻R515阻值是否变大即可。实际维修中R514阻值变大极为常见。
