首 页文档资料下载资料维修视频汽修在线平台
请登录  |  免费注册
当前位置:精通维修下载 > 文档资料 > 汽车技术 > 汽车维修 > 问界维修案例
问界M5偶发亮气囊故障灯
来源:本站整理  作者:佚名  2025-12-29 09:24:31

 故障现象:用户反馈车辆使用过程中仪表气囊故障灯偶尔点亮,诊断仪读取故障码为 “驾驶员安全气囊回路阻值过高”历史故障信息。

诊断思路:
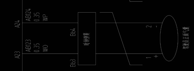
1.查看电路图得知驾驶员正面气囊通过连接时钟弹簧、驾驶室线束和ACU模块。
2.根据“驾驶员安全气囊回路阻值过高”历史故障信息可以初步判断为驾驶员正面气囊与ACU模块之间的连接线束断路,由于故障偶发可以基本锁定为线束接触不良导致。
3.由于气囊ACU模块不能直接通过万用表测量电压(有引爆气囊风险),只能通过测量线束阻值的方法判断,且ACU模块位于中控扶手箱内部,因此优先测试时钟弹簧至驾驶员气囊线路通断情况,在转动方向盘至最左侧时气囊故障灯点亮、再转动方向盘至中间位置或最右侧时故障消失,初步锁定为时钟弹簧内部接触不良导致,更换时钟弹簧,故障消除。
案例总结:气囊ACU通过并联方式与多个气囊气帘进行连接,且故障码信息为阻值高多为断路故障,阻值低多为短路故障(一般表现为锁止片未推进到位)在测量时不能直接测量ACU侧线束电压,需断开蓄电池负极后再测量线束通断情况进行判断。

关键词:

文章评论评论内容只代表网友观点,与本站立场无关!

   评论摘要(共 0 条,得分 0 分,平均 0 分)

推荐阅读

图文阅读

Copyright © 2007-2017 down.gzweix.Com. All Rights Reserved .
页面执行时间:38,171.88000 毫秒