首 页文档资料下载资料维修视频汽修在线平台
请登录  |  免费注册
当前位置:精通维修下载 > 文档资料 > 汽车技术 > 汽车维修 > 问界维修案例
问界M5 BCM与AC诊断仪无法通讯
来源:本站整理  作者:佚名  2026-03-18 13:48:14

 故障现象:进水车辆维修后BCM与AC模块诊断仪无法进入

诊断思路:
1、BCM内部故障;2、AC模块内部故障;3、仪表线束故障
诊断过程:
1、诊断仪测试读模块信息功能,发现只有BCM与AC模块无法通讯;
2、进行诊断口电压与电阻测量,发现诊断口BDCAN电压正常,但是终端电阻120Ω左右(异常);
3、初步怀疑为BCM内部故障,进行调换后发现故障仍未解决;
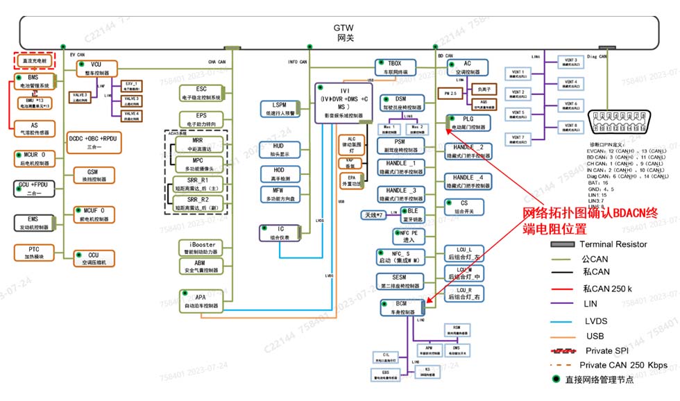
4、进行网络拓扑图分析BDCAN终端电阻为BCM与PLG;
5、进行电路图以及网络拓扑图分析为驾驶室线束问题;
6、从诊断接口跨接CAN-H与CAN-L到AC诊断脚17#18#之后测试AC与BCM可以通讯;
7、由于电路图无精准插接件标识(比如BCM网络CAN线直接通到了诊断接口,无中间节点插头标识),逐个插头进行排查,最终发现副仪表线束主插头锁舌未锁止,插接不到位;
8、拔掉插头重新插接到位插头锁止后再进行测试,BCM以及AC模块正常通讯;
案例总结:进水车辆拆动较多部件容易出现处理不到位(人为)故障,检修时要仔细逐步排查,方可解决问题。

关键词:

文章评论评论内容只代表网友观点,与本站立场无关!

   评论摘要(共 0 条,得分 0 分,平均 0 分)

推荐阅读

图文阅读

Copyright © 2007-2017 down.gzweix.Com. All Rights Reserved .
页面执行时间:44,273.44000 毫秒