首 页文档资料下载资料维修视频汽修在线平台
请登录  |  免费注册
当前位置:精通维修下载 > 文档资料 > 汽车技术 > 汽车维修 > 问界维修案例
问界M5前雨刮不工作且不回位
来源:本站整理  作者:佚名  2026-03-14 08:37:52

 故障现象:客户到店后前雨刮不工作且雨刮不回位,前雨刮喷水正常,后雨刮工作正常,询问客户发生情况,客户描述昨天雨刮一直刮,今天雨刮就出现不回位,最近没有维修车辆。

诊断思路:
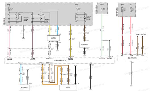
1.用诊断仪进行读取BCM故障码为B104171(前雨刮电机堵转)为当前故障。
2.根据故障码、电路图分析从易到难进行检查,首先从雨刮继电器下手,测量继电器电源、地线正常,开启雨刮测量继电器信号无(BCM发出信号),所以继电器无法闭合。
3.用诊断仪进行雨刮主动测试,执行成功雨刮还是不动,开启雨刮开关观察数据流BCM接受信号正常,前雨刮回位信号异常,进行组合开关测量电源、打铁正常,CANH和CANL工作电压正常(在工作状态),说明组合开关到BCM输入端正常。

[1] [2]  下一页

关键词:

  • 好的评价
      0%(0)
  • 差的评价
      0%(0)

文章评论评论内容只代表网友观点,与本站立场无关!

   评论摘要(共 0 条,得分 0 分,平均 0 分)
Copyright © 2007-2017 down.gzweix.Com. All Rights Reserved .
页面执行时间:26,257.81000 毫秒